Suzuki GT 750 Ölanschluß Zylinder
11,50 €
zzgl. Versandkosten
Artikelnummer:
16910 - 31000
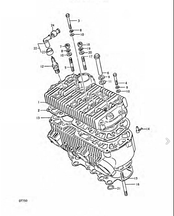
Das ist ein neuer Ölanschluß für den Zylinder.
Im Bild Nr.14