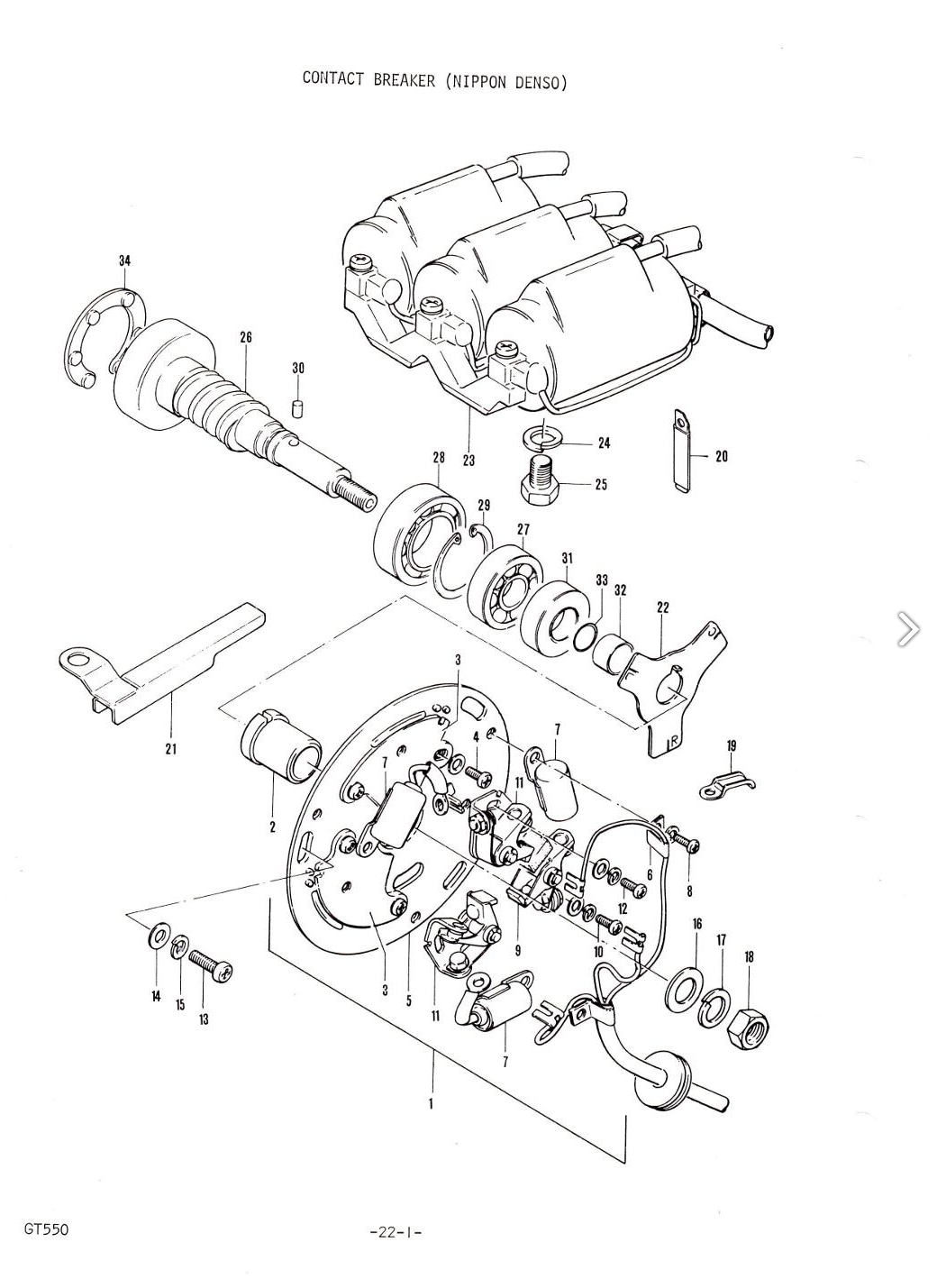
Suzuki GT 550 Ring Zündunterbrecher
6,95 €
zzgl. Versandkosten
Artikelnummer:
09180 - 14006
Das ist ein gebrauchter Ring für den Zündunterbrecher.
Im Bild Nr.32