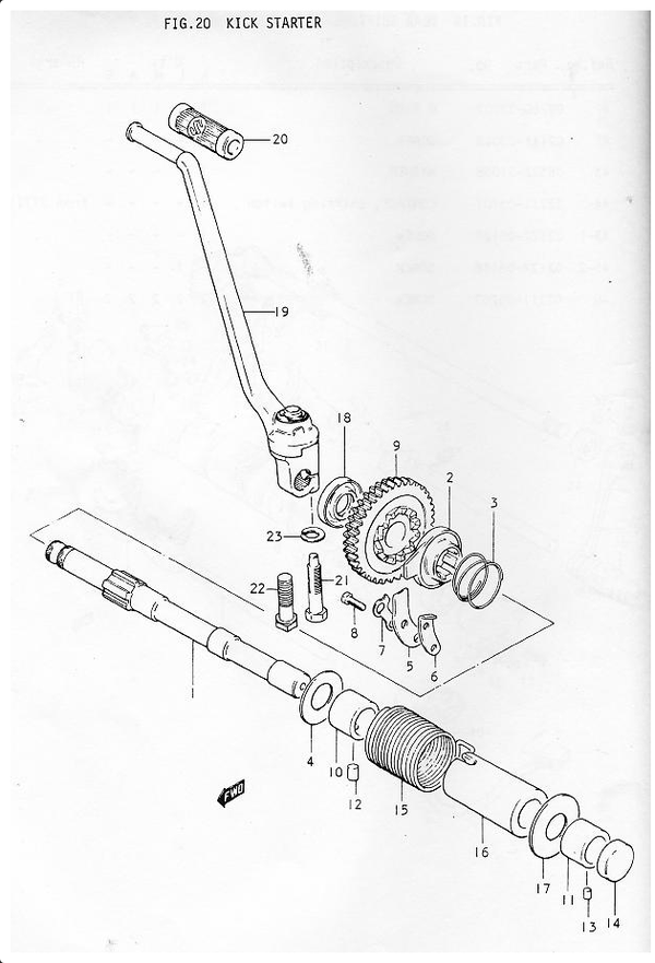
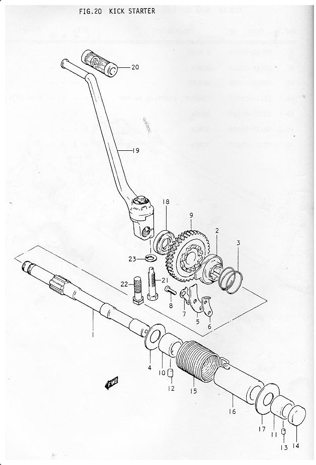
Suzuki GT 380 Federhalter Kickstarterwelle
5,00 €
zzgl. Versandkosten
Artikelnummer:
26221 - 11000
Das ist ein gebrauchter Federhalter .
Im Bild Nr. 16