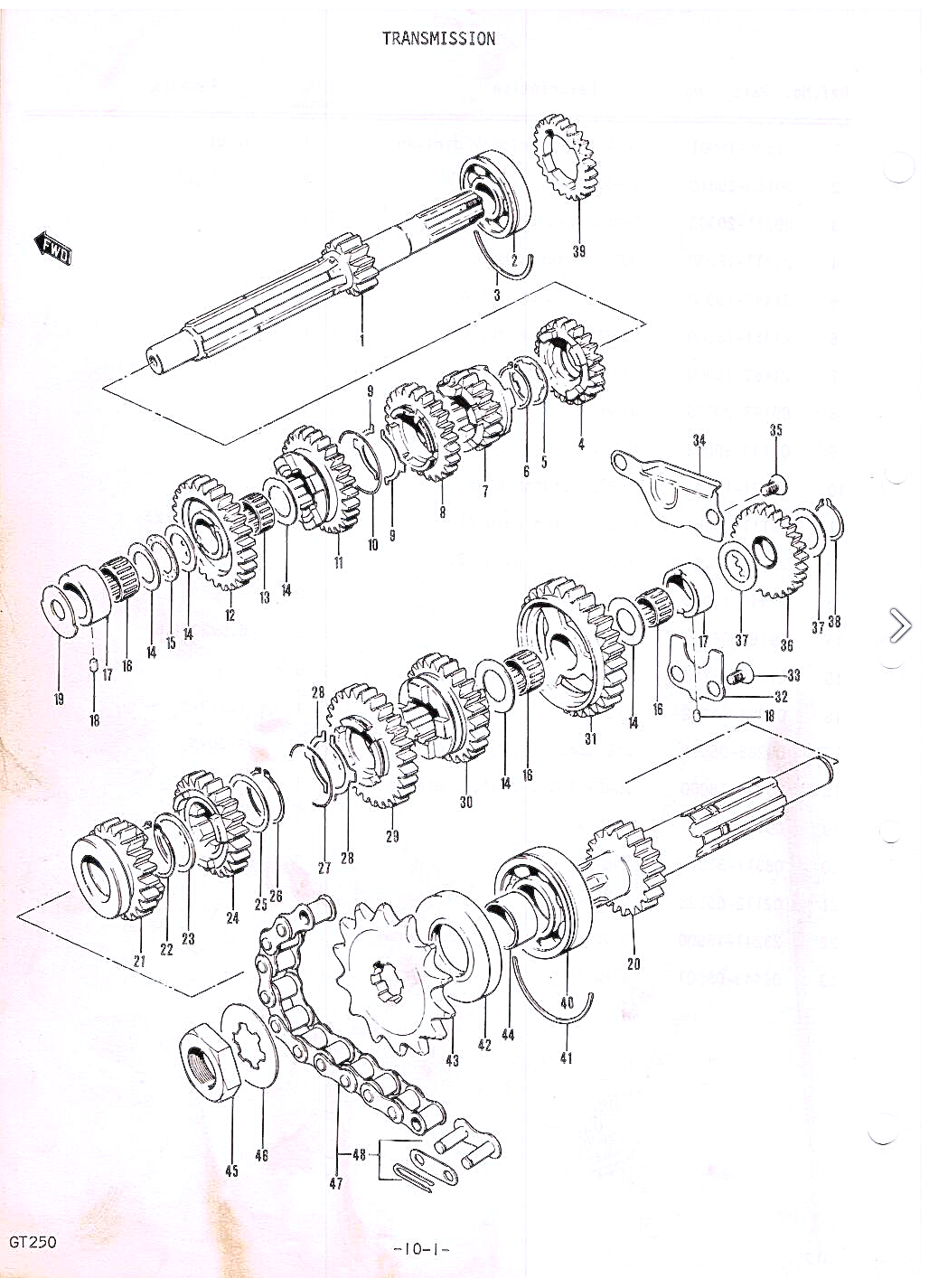
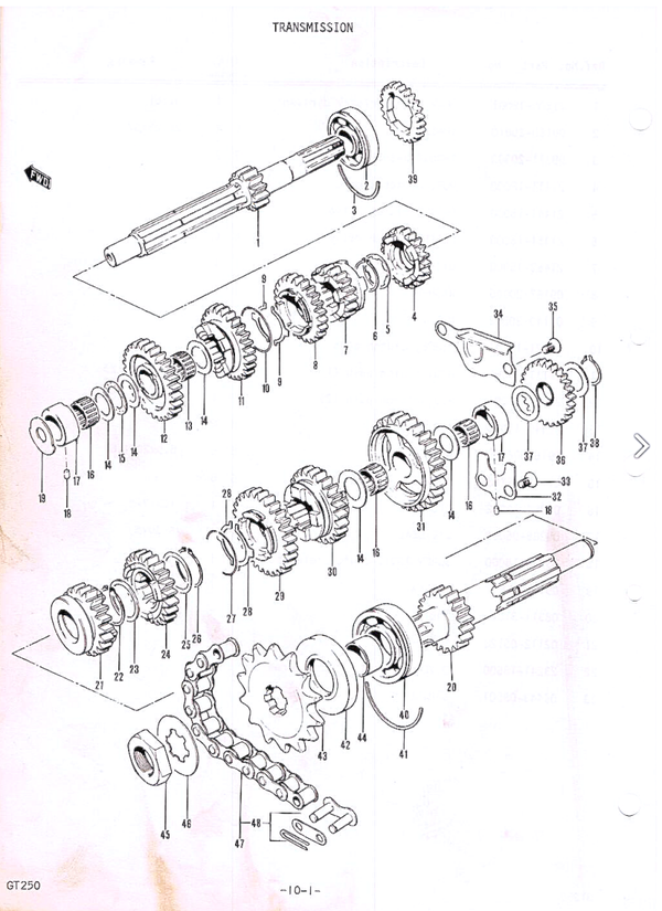
Suzuki GT 250 Getriebeteil
3,45 €
zzgl. Versandkosten
Artikelnummer:
09399 - 22003
Das ist ein gebrauchtes Getriebeteil.
Im Bild Nr. 9