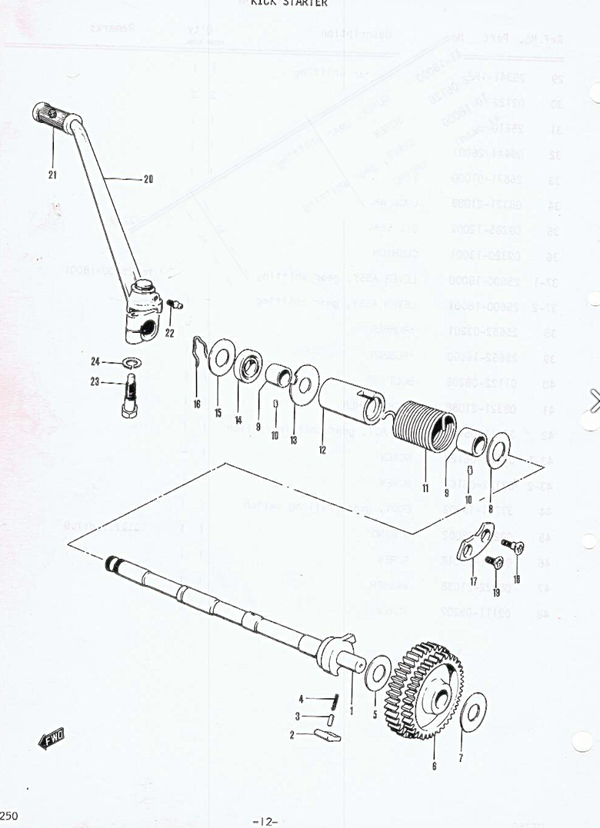
Suzuki GT 250 Feder Kickstarterwelle
12,00 €
zzgl. Versandkosten
Artikelnummer:
09448 - 37001
Das ist eine gebrauchte Feder für die Kickstarterwelle.
Im Bild Nr. 11