Suzuki GT 250 Ritzel
12,50 €
zzgl. Versandkosten
Artikelnummer:
27511 - 18000
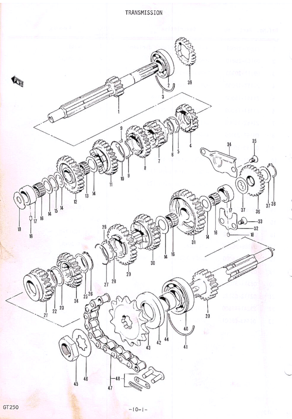
Das ist ein neues Ritzel mit 13 Zähnen.
Im Bild Nr.43