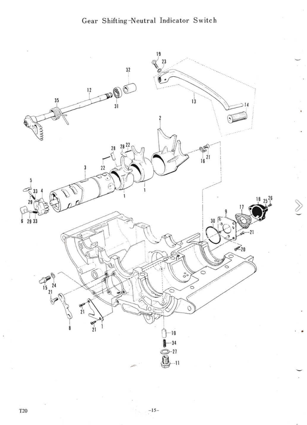
Suzuki T 20 Hebeplatte Schaltwalze
5,00 €
zzgl. Versandkosten
Artikelnummer:
25331 - 11001
Das ist eine gebrauchte Hebeplatte fur die Schaltwalze.
Im Bild Nr.7