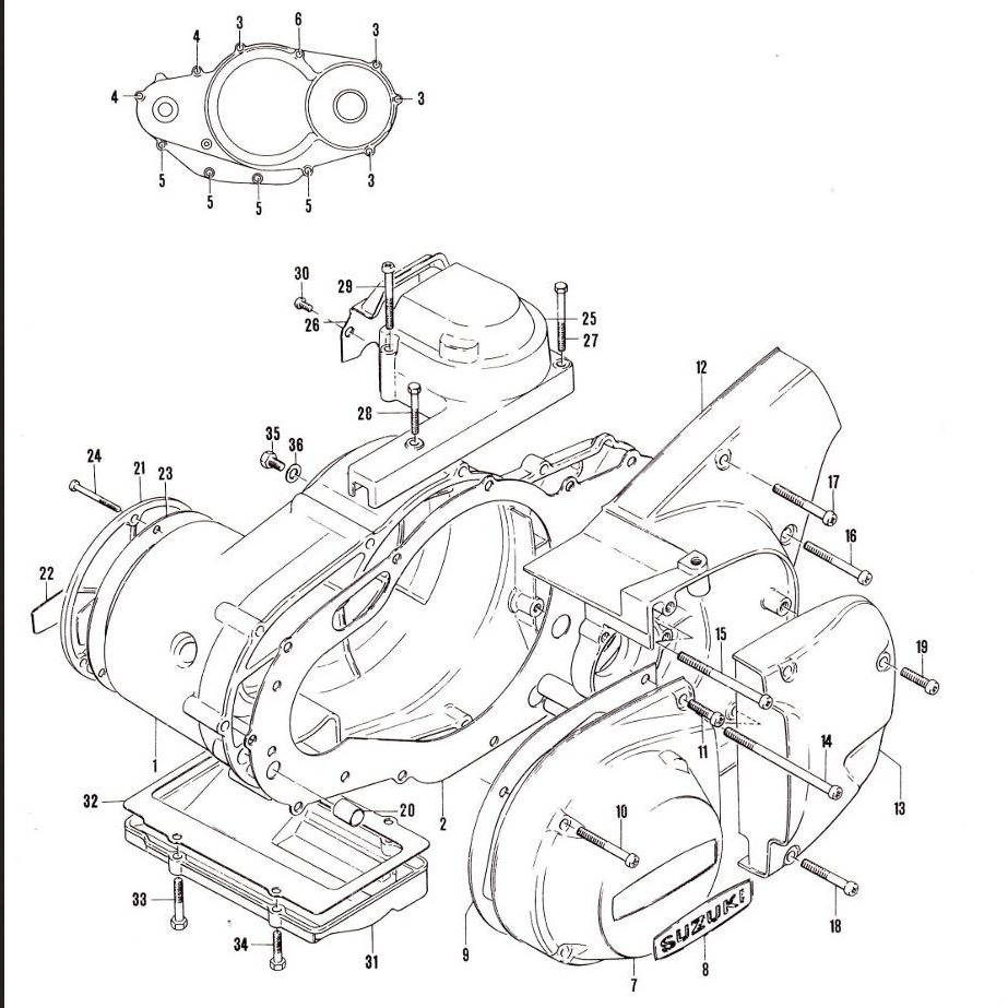
Suzuki GT 550 Motordeckelschraube
3,48 €
zzgl. Versandkosten
Artikelnummer:
02112 - 06458
Das ist eine neue Suzuki Motordeckelschraube.
Im Bild Nr. 3 + 17