Suzuki GT 550 Motordeckelschraube
2,45 €
zzgl. Versandkosten
Artikelnummer:
02112 - 06458
Das ist eine neue V2A Motordeckelschraube.
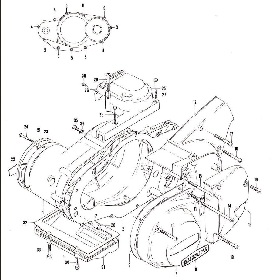
Im Bild Nr. 3 + 17