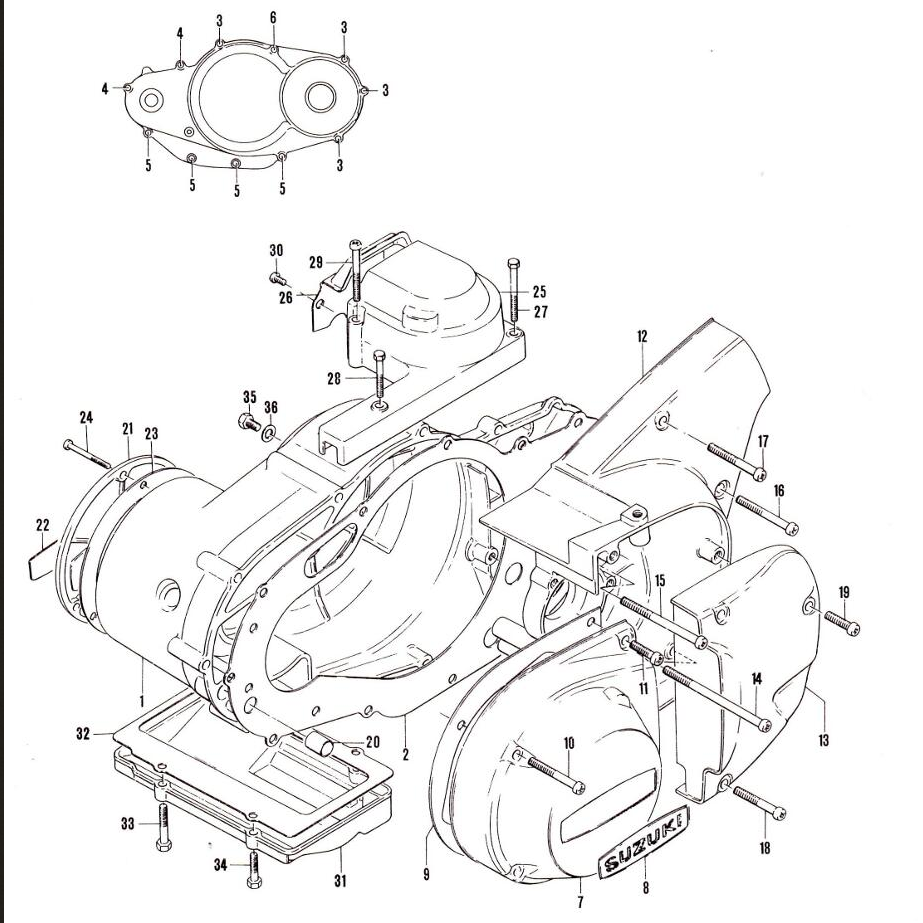
Suzuki GT 550 Motordeckelschraube
3,98 €
zzgl. Versandkosten
Artikelnummer:
02112 - 06508
Das ist eine neu Suzuki Motordeckelschraube.
Im Bild Nr. 16