Suzuki GT 550 Motordeckelschraube
2,65 €
zzgl. Versandkosten
Artikelnummer:
02112 - 06758
Das ist eine neue V2A Motordeckelschraube.
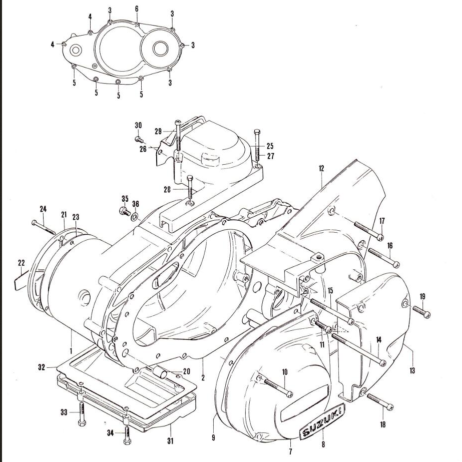
Im Bild Nr. 6 + 15