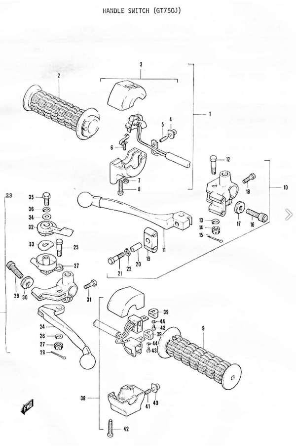
Suzuki GT 750 J Bremshebelhalter
325,00 €
zzgl. Versandkosten
Artikelnummer:
57300 - 31010
Das ist ein neuer Bremshebelhalter für GT 750 J.
Im Bild Nr 10