Suzuki GT 380 Ölsperre - Gabel
9,95 €
zzgl. Versandkosten
Artikelnummer:
51195 - 33130
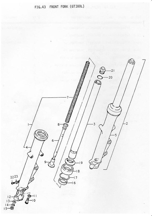
Das ist eine gebrauchte Ölsperre für die Gabel.
Passt bei GT 380 M-A-B.
Im Bild Nr.9